Adapter 1 Korpus 1 Dno 6 Lens Samples |
Adapter 1 Korpus 1 Dno 6 Lens Mould |
Adapter Dno 3D Profile Drawing A |
Adapter Dno 3D Profile Drawing B |
Adapter Korpus 3D Profile Drawing A |
Adapter Korpus 3D Profile Drawing B |
Adapter Len 3D Profile Drawing |
Angle CR136 137 Mould Drawing |
Angle CR136 137 Samples A |
Angle CR136 137 Samples B |
Bottle 3D Profile Drawing 01 |
Bottle 3D Profile Drawing 02 |
Buckle LL25 |
Buckle Mould 3D Drawings |
Buckle Profile 3D Drawing A |
Buckle Profile 3D Drawing B |
Buckle SRD40 A |
Buckle SRD40 B |
Buckle SRE40 A |
Buckle SRE40 B |
Buckle Suspender A |
Buckle Suspender B |
Buckle Tg25 |
Cap 3D Profile Drawing 01 |
Cap 3D Profile Drawing 02 |
Cap Mould 01 |
Cap Mould 02 |

Cap Mould 03 |
Cover 3D Profile Drawing |
Gag Torec 3D Profile Drawing |
Gag Torec Mould Drawing |
Gag Torec Samples |
Grace Lock 2D Mould Drawings |
Grace Lock 3D Profile Drawing A |
Grace Lock 3D Profile Drawing B |
Grace Lock Samples |
Grace Lock Samples Usage |
Gramp Scoba 3D Profile Drawing |
Gramp Scoba Mould Drawing |
Gramp Scoba Samples |
HDPE Plt001 Mould 2D Drawings |
HDPE Plt001 Profile 3D Drawing |
HDPE Plt001 Samples |
Inner Cover 3D Profile Drawing |
Integrated Box Cover Moldflow Average Temperature |
Integrated Box Cover Moldflow Fill Time |
Integrated Box Cover Moldflow Injection Pressure |
Integrated Box Cover Moldflow Pressure Drop |
Integrated Box Cover Moldflow Volumetric Shrinkage |
Izoliator 2D Mould Drawing |
Izoliator 3D Profile Drawing |
Jar 3D Profile Drawing |
Jar Cover Inner Cover Lock 3D Profile Drawing |
Jar Cover Inner Cover Lock Samples |
Kor Box 3D Profile Drawing |
Korpus 21 Krishka 12 Samples |
Korpus 3D Assembly Drawing |
Korpus 3D Profile Drawing |
Korpus Mould A |
Korpus Mould B |
Krishka 3D Profile Drawing |
Krishka Mould A |
Krishka Mould B |
Kry Cover 3D Profile Drawing |
Lock 3D Profile Drawing |
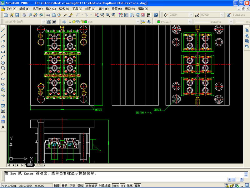
Medical Cap Mould 2D Drawings |
Medical Cap Samples |
New Kor 3D Profile Drawing |
New Kor Mould Solution 3D Drawings |
New Kor Sample |
New Shampoo Bottle 3D Profile Drawing |
New Shampoo Cap 3D Profile Drawing 01 |
New Shampoo Cap 3D Profile Drawing 02 |
New Shampoo Cap Bottle Samples |
Opora 3D Profile Drawing |
Opora Mould 2D Design Drawing |
Opora Sample |
Osnova BB 3D Profile Drawing |
Plastics PS Socket 3D Profile Drawing 1 |
Plastics PS Socket 3D Profile Drawing 2 |
Plastics PS Socket Mould 3D Drawing |
Plastina 4 Interconnection 3D Profile Drawing |
Plastina 4 Interconnection Samples |
Plastina 5 Profile 3D Profile Drawing |
Plastina 5 Profile Samples |
Plintus C 3D Profile Drawing |
Plintus C Mould Drawing |
Plintus C Samples |
Plintus D 3D Profile Drawing |
Plintus D Mould Drawing |
Plintus D Samples |
Pod Base 3D Profile Drawing |
Probox 3D Profile Drawing 01 |
Probox 3D Profile Drawing 02 |
Probox Moldflow Defelction 01 |
Probox Moldflow Defelction 02 |
PS Clip 3D Profile Drawing |
PS Clip Mould Drawing |
PS Clip Samples |
Samples 100ml Bottle Cap |
Samples Kor Box Kry Cover Pod Base |
Shampoo Bottle 3D Profile Drawing |
Shampoo Bottle 3D Profile Drawing A |
Shampoo Bottle Mould Part |
Shampoo Bottle Sample Shampoo Cap Samples |
Shampoo Bottle Shampoo Cap 3D Profile Drawing B |
Shampoo Cap 3D Profile Drawing A |
Shampoo Cap 3D Profile Drawing B |
Shampoo Cap Fixed Mould Part |
Shampoo Cap Moving Mould Part |

Shampoo Cap Samples A |
Shampoo Cap Samples B |
Small Tube Samples |
Tg30 Buckle 3D Profile Drawing A |
Tg30 Buckle 3D Profile Drawing B |
Tg30 Buckle Samples |
Traversa Arm 3D Profile Drawing |
Traversa Arm Moldflow |
Traversa Arm Samples |
Tube 2D Mould Drawing |
Tube 2D Profile Drawing |
Tube 3D Mould Drawing |
Ugol 1 Plintus 3D Profile Drawing |
Ugol 1 Plintus Samples |
Ugol 2 Plintus 3D Profile Drawing |
Ugol 2 Plintus Samples |
Ugol 3D Profile Drawing |
Ugol 3 Plintus 3D Profile Drawing |
Ugol 3 Plintus Samples |
Ugol Green A 3D Profile Drawing |
Ugol Green B 3D Profile Drawing |
Ugol Green Mould A |
Ugol Green Mould B |
Ugol Green Samples |
Ugol Paz A 3D Profile Drawing A |
Ugol Paz A 3D Profile Drawing B |
Ugol Paz B 3D Profile Drawing A |
Ugol Paz B 3D Profile Drawing B |
Ugol Paz Mould A |
Ugol Paz Mould B |
Ugol Paz Samples |
VST20 Profile 3D Drawing |
VST20 Samples |
VST30 Profile 3D Drawing |
VST30 Samples |
Vstavka Krug 3D Profile Drawing |
Vstavka Krug Mould |
Vstavka Krug Samples |
Vstavka Ugol 1 Vstavka Ugol CR Mould A |
Vstavka Ugol 1 Vstavka Ugol CR Mould B |
Vstavka Ugol 1 Vstavka Ugol CR Samples |
Vstavka Ugol 3D Profile Drawing |
Vstavka Ugol A 3D Profile Drawing |
Vstavka Ugol B 3D Profile Drawing |
Vstavka Ugol CR a 3D Profile Drawing |
Vstavka Ugol CR b 3D Profile Drawing |
VSTKR 3D Profile Drawing |
VSTKR Samples |
Zag CR 1 Vstavka Ugol 1 Ugol 1 Osnova BB Mould A |
Zag CR 1 Vstavka Ugol 1 Ugol 1 Osnova BB Mould B |
Zag CR 1 Vstavka Ugol 1 Ugol 1 Osnova BB Samples |
Zag CR 3D Profile Drawing |